2025跑狗图高清大图,二四六天天免费开好彩,港彩码王港彩资料app下载,儿童脑筋急转弯2000题,246二四六费资枓大全

欢迎访问启东春立机械设备有限公司官网!
邮箱地址:cl@qdclgs.com
PW型煤气管道水封器
1、产品用途
本产品设在煤气清洗 设施快速水封切断阀的下方,用于去除煤气中的冷凝水。
2、结构特点
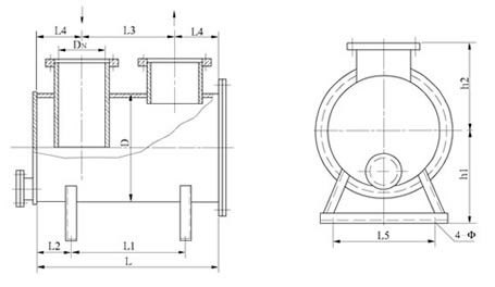
2.1产品由水平管(管径D)和两根垂直短管组成“U”形水封,水平管两端用钢板封堵;水平管底部的支座,可与钢支架安装固定。
2.2本产品水平管端部设有由盲板密封的排污口;用户可根据需要换上相应口径的闸阀或球阀进行排污。
2.3开始使用本产品时,先将出口管端打开灌水至溢出为止,然后密封。
2.4产品结构如下图
3、产品主要尺寸、重量见下表
型号
DN
D
L
L1
L2
L3
L4
L5
4-Φ
h1
h2
W(kg)
PW30-60
100
300
600
400
100
350
125
300
18
330
300
88.0
PW35-65
125
350
650
400
125
300
175
320
18
330
300
107.0
PW40-80
150
350
800
530
135
400
200
300
20
350
350
143.0
PW40-80Ⅱ
125/150
400
830
530
150
300
110
300
20
350
350
150.0
PW40-90Ⅱ
2-65
400
900
600
150
600
150
370
20
350
350
136.0
PW60-90
200
600
900
500
200
450
225
700
22
500
450
255.0
PW60-100
300
600
1000
600
200
500
250
700
22
500
500
302.0
PW60-115
300
600
1150
730
210
550
300
700
22
500
500
308.0
PW60-125Ⅱ
150/200
600
1250
750
250
650
300
700
22
500
500
290.0
PW70-100
250
700
1000
600
200
500
250
500
22
520
530
325.0
说明:①Ⅱ型为双管式(即二支进气管)
②垂直管的进口法兰按JB/T81-94,PN=1.6MPa选用。用户如需非本表所列规格的煤气管道水封器,本厂可代为设计和制造。
 
主站蜘蛛池模板: 最准的一肖一码100%中特| 复联5在线观看免费完整高清| 哪里有货物运输| 凤凰天机论坛资料大全| 澳门开奖一肖期期准 | 澳门生肖图49个号码| 澳门六开彩开奖结果正版| 澳门码走势图| 绝世好bra内衣淘宝有吗| 新澳门免费资料2024年正版大全| 澳门六合和彩开奖结果跟记录| 今日浙江二十选五开奖号| 2o24澳门开奖结果| 澳门高手九肖| 澳门神算子正版资料免费公开| 泛目录2024站群| 2022年世界杯开幕| 热火险胜勇士进决赛| 新澳彩开奖号码记录| 杀出黎明电视剧全集免费观看| 澳门正版免费资料大全944| 澳彩资料站885122.com| 2024新澳门资料大全正新版| 新澳今天晚上9点30一壬二癸| 澳门今晚开精准四不像| 都挺好电视剧星辰影院播放| 炊事班的故事2高清免费观看| 《冰雨火》免费在线观看高清完整版| 新澳彩资料免费长期公开四大才子 | 2024年新澳门天天彩开彩结果| 澳彩资料网站多少| 2021年今晚澳门特马资料| 澳门资料库48kccm澳全新必开特色| 8769澳门正版资料免费| hffps://118831.com澳门资料| 守法公民高清完整免费观看| 澳门6合和彩开奖网址| 新澳门2024年资料免费大全| 天空采票与你同行手机报码大全| 2021有没有能玩得网络游戏 | 澳门张天师精准资料|