| 产品特性 型蒸汽分水器是用在工艺管道上用来分离蒸汽中水滴的特种管道附件。凡需要除掉蒸汽中水滴的地方,在其人口前的管道上,应设置蒸汽分水器。如:进装置的蒸汽主管上、石油化工装置内的饱和蒸汽在并入相应管网前,蒸汽进入汽轮机之前,应设置蒸汽分水器。
 我公司生产的蒸汽分水器参照《石油化工装置工艺管道安装设计手册》第二篇管道器材上的要求定型制造,设计压力为1.3MPa,设计温度为300℃,其分离面积已按蒸汽接管尺寸予以考虑,使用时可直接根据蒸汽管径选用。
 
 
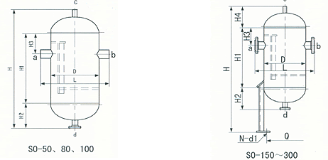
 产品规格
 
 
                  
                    | 规格型号(施工图图号)
 | 蒸汽入口a | 蒸汽出口b | 排气口c  | 排水口d |  
                    | DNmm | PNMPa | DNmm | PNMPa | DNmm | PNMPa | DNmm | PNMPa |  
                    | SQ-50(S5-1-1) | 50 | 1.57 | 50 | 1.57 | Rc3/4 | 15.68 | 20 | 1.57 |  
                    | SQ-80(S5-1-2) | 80 | 80 |  
                    | SQ-100(S5-1-3) | 100 | 100 |  
                    | SQ-150(S5-1-4) | 150 | 150 | 25 |  
                    | SQ-200(S5-1-5) | 200 | 200 |  
                    | SQ-250(S5-1-6) | 250 | 250 |  
                    | SQ-300(S5-1-7) | 300 | 300 |  
                    |  | 外  形  尺  寸 |  
                    |  | D | H | H1 | H2 | H3 | H4 | Q | n-d1 |  
                    | SQ-50(S5-1-1) | 159 | 712 | 300 | 215 | 100 |  |  |  |  
                    | SQ-80(S5-1-2) | 273 | 896 | 400 | 258 | 120 |  |  |  |  
                    | SQ-100(S5-1-3) | 377 | 1046 | 500 | 284 | 150 |  |  |  |  
                    | SQ-150(S5-1-4) | 500 | 1758 | 650 | 308 | 180 | 290 | 464 | 3-F20 |  
                    | SQ-200(S5-1-5) | 700 | 1990 | 750 | 375 | 250 | 355 | 688 | 3-F20 |  
                    | SQ-250(S5-1-6) | 800 | 2040 | 750 | 400 | 270 | 380 | 788 | 3-F20 |  
                    | SQ-300(S5-1-7) | 1000 | 2292 | 900 | 452 | 300 | 430 | 986 | 3-F24 |   订货说明
 1、本系列设备已按蒸汽管尺寸考虑了相应的分离面积,用户直接根据蒸汽管径选用。 2、本系列设备接管法兰按HG20592—97标准,也可提供GB、SH、J6、ANSI、JIS等标准管法兰,但订货时,用户必须注明。3、本系列设备材质为碳钢,用户如选用不锈钢等材料,订货时应注明。 |