2025跑狗图高清大图,二四六天天免费开好彩,港彩码王港彩资料app下载,儿童脑筋急转弯2000题,246二四六费资枓大全

欢迎访问启东春立机械设备有限公司官网!
邮箱地址:cl@qdclgs.com
OXB系列氧气用点阀箱
(一)、OXB/A1-4型氧气用点阀箱
1、用途
本产品适用于金属气焊、气割、火焰表面清理和热加工的氧气管路用户点,也能同氧气汇流排配套使用于上述各种用户点。
2、结构特点
本产品外部保护采用天蓝色烤漆防锈,阀箱接点可供1-4把焊炬或割炬分别使用,也可供同时使用。由于每个接点都分别配有减压器避免了同时使用时压力、流量的波动,内部所有管路均采用不锈钢(1Cr18Ni9Ti)制作。阀箱门接有箱体专用锁,便于集中管理,可避免因误操作造成的能源浪费和泄漏引起的不安全因素。
3、产品技术参数
氧气点阀箱技术参数
型号
 项目
OXB/A-1型
OXB/A-2型
OXB/A-3型
OXB/A-4型
正常使用压力MPa
0.1~1.6
0.1~1.6
0.1~1.6
0.1~1.6
流量Nm3/H
15~60
30~120
45~180
60~240
外形尺寸mm
1200×960×320
1200×960×320
1200×960×320
1200×960×320
接头规格
DN10×1
DN10×2
DN10×3
DN10×4
接管法兰规格
PN4.0或PN2.5 DN25
PN4.0或PN2.5 DN25
PN4.0或PN2.5 DN25
PN4.0或PN2.5 DN25
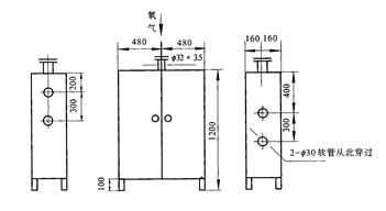
4、OXB/1-4型氧气接点阀箱安装示意图
5、选用说明
当进气压力P≤2.5MPa时,入口配JB/T81-94平焊钢法兰。
当进气压力2.5<P≤4.0MPa时,入口配JB/T82.2-94对焊钢法兰。
请用户订货时注明。
(二)、OXB/B1-3型氧气用点阀箱
1、用途
本产品适用于金属气焊、气割、火焰表面清理和热加工的氧气管路用户点,也能同氧气钢瓶组配套使用于上述各种用户点。
2、结构特点
本产品外部保护采用天蓝色烤漆防锈,阀箱接点可供1-3人分别使用,也可供同时使用。所用仪表可通过阀箱面板窥视孔直接观察,内部所有管路均采用不锈钢(1Cr18Ni9Ti)制作;阀箱门接有箱体专用锁,便于集中管理,可避免因误操作造成的能源浪费和泄漏引起的不安全因素。
3、产品技术参数
氧气点阀箱技术参数
型号
 项目
OXB/B-1型
OXB/B-2型
OXB/B-3型
正常使用氧气压力MPa
0.8~1.6
0.8~1.6
0.8~1.6
流量Nm3/H
15~30
30~45
45~100
外形尺寸mm
1000×500×240
1000×500×240
1000×500×240
接头规格
见附图
见附图
见附图
安装示意图
注意事项
本产品在安装过程中请注意进出气口不可接反,发现堵塞应清洗,使用一年后应进行全面检修。
主站蜘蛛池模板: 中国体育类期刊大全| 一码一肖中特资料期743| 一肖三码免费公开精准| 澳门特彩吧815234,com| 2024澳门精准正版免费大全| 港版聊斋免费高清国语| 新澳门开马记录| 电视剧月歌行免费观看完整版 | 新澳天天开奖资料大全最新54期开奖结果查询 | 成人用品店无人售货机| 2024年澳门精准一肖资料| 港澳开奖网11133| 国家级体育类期刊排名| 如此闪耀的你电视剧免费观看 | 澳门开奖历史记录查询注意事项 | 超人前传第一季全集免费观看 | 澳门天天彩2022年精选资料| 2023澳门六开彩全年开奖结果| 澳门挂牌正版挂牌完整挂牌2023| 2024年兔年波色卡| 澳门精准资料大全免费经典版亮点 | 澳门一肖一码准选一码的优势| 友吧影视网免费观看| 最准一码一肖100+准| 2024澳门跑狗图最新版今天| 老澳门的开奖结果记录与历史| 乐高蝙蝠侠大电影| 澳门管家婆一肖一码资料| 190期澳门资料查看| 人人电影网在线| 2024香港房价最新走势| 每日最新开奖公告| 六码中特原版| 2024澳门开奖结果开奖| 2023澳门资料大全正版网址怎么下载 | 精灵鼠小弟2普通话免费观看| 香港澳门6合开彩开奖结果查询2023| 2020年澳门天天彩开奖结果0| 澳门资料4549| 新澳门历史开奖结果近期十五号| 澳门免费公开资料最准的资料开奖|