2025跑狗图高清大图,二四六天天免费开好彩,港彩码王港彩资料app下载,儿童脑筋急转弯2000题,246二四六费资枓大全

欢迎访问启东春立机械设备有限公司官网!
邮箱地址:cl@qdclgs.com
MGPB型系列煤气冷凝水排水器
1、MGPB型排水器适用于不同压力的各种工业煤气架空管道。
2、该排水器必须采用压力给水,给水量为2-4t/h。
3、排水器上设有蒸汽或氮气吹扫头,为防止煤气窜入蒸汽或氮气管内只有在通蒸汽或氮气时,才能把蒸汽或氮气与煤气和管道连通,停用时必须断开或堵盲板。
4、排出器冷凝水应集中处理。
5、设在露天的排水器有寒冷地区要采取防冻措施,设在室内的应有良好的自然通风。
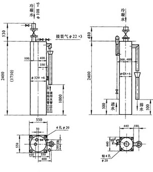
MGPB型排水器系列规格选用表
型 号
允许煤气
最高压力
(KPa)
水封
高度
mm
外形尺寸(mm)
上水管
管径DN
(mm)
上水管
管径DN
(mm)
吹扫管
管径
Φ×δmm

煤气冷凝
水管径
Φ×δmm

筒外径Φ
筒高H
MGPB-I
14.01
2000
426
2400
20
80
Φ159×5
MGPB-II
21.48
2700
529
1750
25
80
Φ22×3
Φ108×6
MGPB-III
34.23
4000
529
2700
25
80
Φ22×3
Φ108×6
                MGPB-II、MGPB-III型    MGPB-I型
 
主站蜘蛛池模板: 海天雄鹰电视剧免费观看星辰影院| 最准五肖五码| 2024澳彩开奖结果查询最新| 罗尔娜的沉默 电影在线观看| 澳门彩近30期开奖记录| 绝杀一肖全年无错| 苹果核战记2英文版| 2024年,澳门十二生肖开码| 澳门六合内部资料| 青龙阁澳门论坛资料| 香港6合开彩开奖网站记录2022年34期 | 成人用品店卖的是什么东西?| 正澳门4949最新开奖记录| 2024澳门天天开彩好资料大全| 2024年澳门资料免费公开| 香港报码室报码开奖结果查询| 新澳门王中王com| 郎在对门唱山歌| 22年澳门开奖记录查询表| 全民超人汉考克2| 最新电影在线看国语| 2024新澳门历史开奖记录查询结果| 新澳门精准一肖一码资料| cctv5十体育赛事| 2020年免费资料大全集| 澳门2023最准资料免费| 2024年澳门大全资料| 大武当之天地密码| 金牛版澳门六开彩金牛版| 香港49码走势图分布图| 789电影网喜剧大全| 澳门金牛版免费大全资料| 澳门精准全年免费资料大全| 听我你喜欢我电视剧在线观看| 开奖历史记录大全查询结果| 2o24澳门正版免费料大全精准 | 新澳2025今晚特马开奖号码| 澳门天天彩151到157开彩记录| 最新快8开奖结果| 2024年香港免费资料推荐 | 老澳门6合码今晚开奖结果|