| 消声器 SQS—SP型蒸汽排放消声器
 结构形式
 本系列消声器为小孔喷注放散型消声器。
 适用范围
 适用于降低小型锅炉排放蒸汽时产生的动力性噪声。◎规格、性能、外形尺寸
 
 
                  
                    | 
                        
                          | 型号 | 消声器适用参数 | 外形尺寸(mm) | 进口法兰标准 |  
                          | 排放量t/h | 压力MPa | 温度℃ | 消声量dB(A) | H | H1 | Ф1 | D | HG20592-98 |  
                          | SQS-SP-1 | 1 | 2.0 | 350 | 30 | 730 | 100 | 300 | 159 | DN32 PN2.5 |  
                          | SQS-SP-2 | 2 | 2.0 | 350 | 30 | 775 | 100 | 350 | 219 | DN50 PN2.5 |  
                          | SQS-SP-3 | 4 | 2.0 | 350 | 30 | 1140 | 150 | 450 | 298 | DN65 PN2.5 |  
                          | SQS-SP-4 | 6 | 2.0 | 350 | 30 | 1250 | 150 | 500 | 350 | DN80 PN2.5 |  
                          | SQS-SP-5 | 8 | 2.0 | 350 | 30 | 1365 | 150 | 520 | 377 | DN100 PN2.5 |  
                          | SQS-SP-6 | 10 | 2.0 | 350 | 30 | 1625 | 150 | 600 | 426 | DN125 PN2.5 |  |  |   注:本系列消声器额定排汽压力按1.3MPa设计的,如排汽压力为0.8MPa,选用消声器应比排放管径大一级选用:排汽压力为2.0MPa时应比排放管小一级选用。
 
 SQS—KXP型锅炉排汽消声器
 结构形式本系列消声器为小孔喷注与扩容降压组合式结构,具有重量轻、体积小、频带宽等特点。
 
  适用范围本系列消声器广泛用于冶金、热电化工、石油等工业部门中各种锅炉蒸汽向空排放及安全阀排汽消声。
 规格、性能、外形尺寸
 
                  
                    | 类别 | 型号 | 适用锅炉参数 | 消声器特性 | 外形尺寸(mm) |  
                    | 容量t/h | 压力MPa | 温度℃ | 设计流量t/h | 消声量dB(A) | L1 | L | D | ФXt |  
                    | 中压 | SQS-KXP(ZH)-10 | 35 | 3.82 | 450 | 10 | 30 | 480 | 690 | Ф219 | Ф57×3.5 |  
                    | SQS-KXP(ZH)-15 | 50 | 38 | 751 | 1102 | Ф325 | Ф57×3.5 |  
                    | SQS-KXP(ZH)-25 | 65.75 | 25 | 38 | 1099 | 1451 | Ф76×4 |  
                    | SQS-KXP(ZH)-40 | 130 | 40 | 36 | 1419 | 1786 | Ф108×4.5 |  
                    | 次高压 | SQS-KXP(S)-10 | 35 | 530 | 485 | 10 | 36 | 640 | 992 | Ф325 | Ф57×3.5 |  
                    | SQS-KXP(S)-25 | 65.75 | 25 | 38 | 1099 | 1451 | Ф76×4 |  
                    | SQS-KXP(S)-40 | 130 | 40 | 36 | 1418 | 1786 | Ф108×4.5 |  
                    | 高压 | SQS-KXP(G)-60 | 220 | 9.81 | 540 | 60 | 38 | 1520 | 2074 | Ф520 | Ф133×10 |  
                    |  | SQS-KXP(G)-80 | 80 | 39 | 1818 | 2372 |  
                    |  | SQS-KXP(G)-100 | 100 | 39 | 2039 | 2593 |  
                    | 超高压 | SQS-KXP(ch)-100 | 420 | 13.73 | 540 | 100 | 40 | 2039 | 2590 | Ф520 | Ф133×16 |  
                    |  | SQS-KXP(ch)-200 | 670 | 200 | 41 | 2574 | 3123 |  注:用于安全阀排气放空消声器,请注明安全阀排量,启跳压力(表压),介质温度。
 
 SQS—ZX型蒸汽排放消声器
 结构形式本系列消声器利用节流降压和小孔喷注两种消声机理,采用多级减压管通过适当的组合,制成具有宽频带消声的复合式消声器。
 
  适用范围本系列消声器广泛用于锅炉排汽放空,也可用于其它气体(如空气、过热蒸汽、氮气、氧气以及各种空压机、鼓风机等多余气体的排汽消声。
 规格、性能、外形尺寸
 
 
                  
                    | 型号 | 排气量t/h | 压力MPa | 温度℃ | 进气管ФXt(mm) | 疏水管Ф1(mm) | 外形尺寸mm (直径D×高L) |  
                    | SQS-ZX2-0.3/150 | 2 | 0.3 | 150 | Ф57×3 | Ф25×2.53 | 60×1000 |  
                    | SQS-ZX2-0.3/150 | 3 | 0.3 | 150 | Ф76×3.5 | Ф25×2.5 | 360×1000 |  
                    | SQS-ZX5-0.3/150 | 5 | 0.3 | 150 | Ф133×4.5 | Ф25×2.2 | 526×1000 |  
                    | SQS-ZX10-0.3/150 | 10 | 0.3 | 150 | Ф219×6 | Ф25×2.5 | 600×1200 |  
                    | SQS-ZX15-0.4/151 | 15 | 0.4 | 151 | Ф219×6 | Ф25×2.5 | 606×1100 |  
                    | SQS-ZX30-0.4/151 | 30 | 0.4 | 151 | Ф325×8 | Ф25×2.5 | 750×1200 |  
                    | SQS-ZX5-0.4/180 | 5 | 0.4 | 180 | Ф159×5 | Ф25×2.5 | 526×1000 |  
                    | SQS-ZX5-0.3/400 | 5 | 0.3 | 400 | Ф159×5 | Ф25×2.5 | 526×1000 |  
                    | SQS-ZX10-0.3/400 | 10 | 0.3 | 400 | Ф219×6 | Ф25×2.5 | 600×1200 |  
                    | SQS-ZX2-00.3/200 | 20 | 0.3 | 200 | Ф273×7 | Ф25×2.5 | 700×1200 |  
                    | SQS-ZX40-0.3/200 | 40 | 0.3 | 200 | Ф325×8 | Ф25×2.5 | 800×1200 |  
                    | SQS-ZX20-0.2/133 | 40 | 0.2 | 133 | Ф325×8 | Ф25×2.5 | 650×1200 |  
                    | SQS-ZX15-1.0/250 | 15 | 1.0 | 150 | Ф159×5 | Ф25×2.5 | 630×1200 |  
                    | SQS-ZX20-1.0/250 | 20 | 1.0 | 250 | Ф219×6 | Ф25×2.5 | 700×1400 |  
                    | SQS-ZX30-1.0/250 | 30 | 1.0 | 250 | Ф219×6 | Ф25×2.5 | 700×1400 |  
                    | SQS-ZX5-1.27/194 | 5 | 1.27 | 194 | Ф89×3.5 | Ф25×2.5 | 473×1000 |  
                    | SQS-ZX5-1.27/300 | 5 | 1.27 | 300 | Ф89×3.5 | Ф25×2.5 | 473×1000 |  
                    | SQS-ZX10-1.27/320 | 10 | 1.27 | 320 | Ф133×5 | Ф25×2.5 | 606×1100 |  
                    | SQS-ZX15-1.27/320 | 15 | 1.27 | 320 | Ф159×6 | Ф25×2.5 | 646×1100 |  
                    | SQS-ZX10-1.27/250 | 10 | 1.27 | 250 | Ф108×4 | Ф25×2.5 | 580×1200 |  
                    | SQS-ZX15-1.27/250 | 15 | 1.27 | 250 | Ф133×4.5 | Ф25×2.5 | 630×1200 |  
                    | SQS-ZX20-1.27/250 | 20 | 1.27 | 250 | Ф159×5 | Ф25×2.5 | 630×1200 |  
                    | SQS-ZX40-1.27/250 | 40 | 1.27 | 250 | Ф219×6 | Ф25×2.5 | 806×1700 |  
                    | SQS-ZX50-1.27/320 | 50 | 1.27 | 320 | Ф273×8 | Ф25×2.5 | 906×1800 |  
                    | SQS-ZX15-2.5/225 | 15 | 2.5 | 220 | Ф89×5 | Ф25×2.5 | 600×1200 |  
                    | SQS-ZX30-2.5/225 | 30 | 2.5 | 220 | Ф133×7 | Ф25×2.5 | 700×1400 |  
                    | SQS-ZX10-3.83/450 | 10 | 3.83 | 450 | Ф57×3 | Ф25×2.5 | 600×1075 |  
                    | SQS-ZX20-3.83/450 | 20 | 3.83 | 450 | Ф108×7 | Ф25×2.5 | 750×1100 |  
                    | SQS-ZX20-4.3/256 | 20 | 4.3 | 256 | Ф89×6 | Ф25×2.5 | 750×1075 |  
                    | SQS-ZX20-3.83/450 | 20 | 3.83 | 450 | Ф133×8 | Ф25×2.5 | 900×1200 |  
                    | SQS-ZX60-3.83/450 | 60 | 3.83 | 450 | Ф159×10 | Ф25×2.5 | 900×1975 |  
                    | SQS-ZX110-3.83/450 | 110 | 3.83 | 450 | Ф219×12 | Ф25×2.5 | 1108×1965 |   SQS—KYX型空压机配套消声器
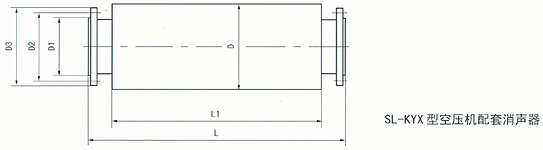
 结构形式本系列消声器采用阻性吸声段与抗性段相结合的阻抗复合形消声器,可与不同风量的空压机相配套。
 适用范围本系列消声器主要用于降低空压机进排气口产生的空气动力性噪声,阻损小于200Pa,消声量≥25dB(A)。
 规格、性能、外形尺寸
 
  
 
                  
                    | 型号 | 适用流量(Nm3/min)
 | L(mm) | L1(mm) | D(mm) | D1(mm) | D2(mm) | D3(mm) | 适用消声部位 |  
                    | SQS-KYX3X | 3 | 1000 | 800 | 320 | 80 | 125 | 170 | 进气消声 |  
                    | SQS-KYX6X | 6 | 1220 | 1020 | 370 | 100 | 144 | 170 | 进气消声 |  
                    | SQS-KYX10X | 10 | 1220 | 1020 | 420 | 150 | 200 | 210 | 进气消声 |  
                    | SQS-KYX20X | 20 | 1420 | 1220 | 560 | 200 | 250 | 300 | 进气消声 |  
                    | SQS-KYX40X | 40 | 1620 | 1420 | 650 | 250 | 300 | 350 | 进气消声 |  
                    | SQS-KYX40B | 40 | 1620 | 1420 | 650 | 250 | 300 | 350 | 排气消声 |  
                    | SQS-KYX100X | 100 | 2180 | 1880 | 1000 | 450 | 550 | 650 | 排气消声 |  
                    | SQS-KYX100B | 100 | 2180 | 1880 | 1000 | 450 | 550 | 650 | 排气消声 |  
                    | SQS-KYX200X | 200 | 2500 | 2200 | 1200 | 700 | 800 | 900 | 排气消声 |  
                    | SQS-KYX200B | 200 | 2500 | 2220 | 1200 | 700 | 800 | 900 | 排气消声 |  SQS—KAP型压缩空气排放消声器
 结构形式本系列消声器是一种阻抗复合消声器,阻性段采用列管吸声通道,抗性段采用小孔喷注,可与不同风量的空压机相配套。
 
  适用范围主要用于降低空气压缩机放散空气时产生的动力性噪声。压力P≤0.6Mpa,消声量≥30dB(A),本消声器为立式安装。
 规格、性能、外形尺寸
 
                  
                    | 型号 | 适用流量(Nm3/min)
 | 外形尺寸 | 进口法兰标准 |  
                    | H | H1 | D | Ф1 | HG20592-97 |  
                    | SQS-KAP-1 | 12-18 | 1800 | 100 | 350 | 550 | PN1.0 DN80  |  
                    | SQS-KAP-2 | 54-96 | 2000 | 100 | 526 | 880 | PN1.0 DN150 |  
                    | SQS-KAP-3 | 100-204 | 2500 | 150 | 700 | 1000 | PN1.0 DN200 |  
                    | SQS-KAP-4 | 200-320 | 3000 | 150 | 860 | 1200 | PN1.0 DN250 |  
                    | SQS-KAP-5 | 288-340 | 3000 | 200 | 1038 | 1400 | PN1.0 DN300 |  
                    | SQS-KAP-6 | 392-460 | 3500 | 200 | 1210 | 1700 | PN1.0 DN350 |  
                    | SQS-KAP-7 | 512-604 | 3500 | 200 | 1380 | 1700 | PN1.0 DN400 |  
 SQS—SFX型烧结机配套风机消声器
 结构形式烧结机配套风机消声器系阻性片式结构,整个系列可与不同风量的风机配套。
 适用范围主要用于控制与烧结机配套主抽风机、机尾除尘风机、粉焦除尘等风机放散气体产生的动力性噪声。
 规格、性能、外形尺寸
 
  
 
                  
                    | 型号 | 风量(Nm3/h)
 | 风压(Pa)
 | 外形尺寸 (m) | 法兰尺寸 | 平均消声量
 dB(A)
 | 压力损失(Pa)
 |  
                    | L | a×b | a0×b0 | a1×b1 | n-d |  
                    | SQS-SFX-1 | 1600-2500 | 2500 | 2000 | 2228×2400 | 1200×1815 | 1320×1925 | 51-Ф30 | >20 | ≤200 |  
                    | SQS-SFX-2 | 3250-4750 | 4000 | 2000 | 3400×4000 | 1800×2500 | 1920×2620 | 63-Ф30 | >20 | ≤200 |  
                    | SQS-SFX-3 | 6500-7150 | 4500 | 2500 | 2800×4200 | 2000×3000 | 2120×3120 | 76-Ф30 | >25 | ≤200 |  
                    | SQS-SFX-4 | 8000-9000 | 5000 | 3000 | 3964×4200 | 2500×3000 | 2620×3120 | 84-Ф30 | >30 | ≤200 |  
                    | SQS-SFX-5 | 12000-13000 | 5500 | 3000 | 4284×5000 | 2800×3800 | 2920×3800 | 86-Ф30 | >30 | ≤200 |  
                    | SQS-SFX-6 | 16000-17000 | 6500 | 3000 | 3810×6105 | 2800×5000 | 2920×5120 | 90-Ф32 | >30 | ≤200 |  SQS—ZFX型助燃风机配用消声器
 结构形式助燃风机消声器系列管型吸声结构,整个系列可与不同风量的助燃风机配套。
 
  适用范围主要用于控制炼铁热风炉助燃风机产生的动力性噪声。
 规格、性能、外形尺寸
 
 
                  
                    | 型号 | 风量(Nm3/h)
 | 风压(Pa)
 | 外形尺寸 (m) | 法兰尺寸 | 平均消声量
 dB(A)
 | 压力损失(Pa)
 |  
                    | L | a×b | a0×b0 | a1×b1 | n-d |  
                    | SQS-ZFX-1 | 8100~10200 | 2080~7000 | 2100 | 994×994 | 350×600 | 450×700 | 18-Ф13 | >20 | <400 |  
                    | SQS-ZFX-2 | 25000 | 2990 | 2300 | 994×1487 | 500×100 | 600×1200 | 32-Ф13 | >20 | <400 |  
                    | SQS-ZFX-3 | 41200~48000 | 3000~3270 | 2600 | 1487×1487 | 550×1280 | 650×1380 | 32-Ф17 | >20 | <400 |  
                    | SQS-ZFX-4 | 55840~64200 | .3860~4770 | 2700 | 1487×1980 | 550×1770 | 650×1870 | 38-Ф17 | >20 | <400 |  
                    | SQS-ZFX-5 | 180000 | 3000 | 3000 | 1980×2473 | 600×1770 | 700×1870 | 40-Ф17 | >20 | <400 |  SQS—OGP型高压氧气放散消声器
 结构形式本系列消声器是一种节流降压、耐热吸声复合式消声器,内部结构采用了抗燃性能优良的不锈钢及铜合金。
 
  适用范围本系列消声器适用于降低氧气压缩机后放散氧气时产生的动力性噪声。
 规格、性能、外形尺寸
 
 
                  
                    | 型号 | 消声器适用参数 | 外形尺寸 | 进口法兰标准 |  
                    | 风量Nm3/h | 压力MPa | 温度℃ | 消声量dB(A) | L | L1 | D | HG20592-97 |  
                    | SQS-OGP-1 | 350-1000 | 3.0 | 200 | 30 | 1050 | 773 | 219 | PN4.0 DN50  |  
                    | SQS-OGP-2 | 1300-3500 | 3.0 | 200 | 30 | 1200 | 862 | 325 | PN4.0 DN80 |  
                    | SQS-OGP-3 | 2000-6000 | 3.0 | 200 | 30 | 1350 | 982 | 377 | PN4.0 DN100 |  
                    | SQS-OGP-4 | 4000-9000 | 3.0 | 200 | 30 | 1510 | 1114 | 426 | PN4.0 DN125 |  
                    | SQS-OGP-5 | 5500-1200 | 3.0 | 200 | 30 | 1670 | 1225 | 510 | PN4.0 DN150 |  SQS—ODP型低压氧气放散消声器
 结构形式本系列消声器是一种节流扩散、耐热吸声复合式消声器,内部结构采用了抗燃性能好的不锈钢及铜合金。
 
  适用范围主要用于降低空气分离装置和氧气压缩机后放散氧气时产生的动力性噪声。
 规格、性能、外形尺寸
 
 
                  
                    | 型号 | 消声器适用参数 | 外形尺寸 | 进口法兰标准 |  
                    | 风量Nm3/h | 压力MPa | 温度℃ | 消声量dB(A) | L | L1 | D | HG20592-97 |  
                    | SQS-ODP-1 | 240-600 | 0.8 | 200 | 30 | 1050 | 773 | 219 | PN1.6 DN50  |  
                    | SQS-ODP-2 | 600-1500 | 0.8 | 200 | 30 | 1200 | 862 | 325 | PN1.6 DN80 |  
                    | SQS-ODP-3 | 1500-3600 | 0.8 | 200 | 30 | 1350 | 982 | 377 | PN1.6 DN100 |  
                    | SQS-ODP-4 | 1800-4200 | 0.8 | 200 | 30 | 1510 | 1114 | 426 | PN1.6 DN125 |  
                    | SQS-ODP-5 | 3200-7200 | 0.8 | 200 | 30 | 1670 | 1225 | 510 | PN1.6 DN150 |  SQS—KODP型氧气放散消声器
 结构形式本系列消声器是一种扩容阻抗复合式消声器,内部结构采用了抗燃性能好的不锈钢及铝合金。
 适用范围本系列消声器适用于降低氧气压缩机后放散氧气时产生的动力性噪声。
 规格、性能、外形尺寸
 
 
                  
                    | 
                        
                          | 型号 | 消声器适用参数 | 外形尺寸 | 进口法兰标准 |  
                          | 风量Nm3/h | 压力MPa | 温度℃ | 消声量dB(A) | H | H1 | D | Ф1 | HG20592-97 |  
                          | SQS-KODP-1 | 600-1100 | 0.6 | 200 | 30 | 1600 | 100 | 400 | 550 | PN1.6 DN80  |  
                          | SQS-KODP-2 | 1050-1700 | 0.6 | 200 | 30 | 1600 | 100 | 400 | 550 | PN1.6 DN100 |  
                          | SQS-KODP-3 | 2300-3800 | 0.6 | 200 | 30 | 1600 | 150 | 450 | 600 | PN1.6 DN150 |  
                          | SQS-KODP-4 | 4200-6900 | 0.6 | 200 | 30 | 1600 | 150 | 450 | 600 | PN1.6 DN200 |  
                          | SQS-KODP-5 | 6500-10800 | 0.6 | 200 | 30 | 1800 | 150 | 600 | 800 | PN1.6 DN250 |  |  |  SQS—KNP型氮气放散消声器
 结构形式本系列消声器是一种阻抗复合型消声器。
 适用范围本系列消声器适用于降低空气分离装置或氮气压缩机后放散氮气时产生的动力性噪声。
 规格、性能、外形尺寸
 
 
                  
                    | 
                        
                          | 型号 | 消声器适用参数 | 外形尺寸 | 进口法兰标准 |  
                          | 风量Nm3/h | 压力MPa | 温度℃ | 消声量dB(A) | H | H1 | Ф1 | D | HG20592-97 |  
                          | SQS-KNP-1 | 300-500 | 0.6 | 200 | 30 | 1450 | 100 | 500 | 300 | PN0.6 DN50 |  
                          | SQS-KNP-2 | 615-1230 | 0.6 | 200 | 30 | 1800 | 100 | 580 | 430 | PN0.6 DN80 |  
                          | SQS-KNP-3 | 1200-2000 | 0.6 | 200 | 30 | 2000 | 150 | 770 | 580 | PN0.6 DN100 |  
                          | SQS-KNP-4 | 2700-4500 | 0.6 | 200 | 30 | 2500 | 150 | 800 | 606 | PN0.6 DN150 |  
                          | SQS-KNP-5 | 4800-18000 | 0.6 | 200 | 30 | 2500 | 150 | 1000 | 780 | PN0.6 DN200 |  
                          | SQS-KNP-6 | 7500-12500 | 0.6 | 200 | 30 | 3000 | 150 | 1200 | 940 | PN0.6 DN250 |  
                          | SQS-KNP-7 | 10800-18000 | 0.6 | 200 | 30 | 3000 | 200 | 1400 | 1138 | PN0.6 DN300 |  
                          | SQS-KNP-8 | 12000-24000 | 0.6 | 200 | 30 | 3500 | 200 | 1700 | 1310 | PN0.6 DN350 |  
                          | SQS-KNP-9 | 19200-32000 | 0.6 | 200 | 30 | 3500 | 200 | 1700 | 1480 | PN0.6 DN400 |  |  |  SQS—OX、SQS—QH型高压离心风机消声器
 结构形式本系列消声器为一种阻抗复合式消声器,其阻性段采用列管吸声通道,抗性段采用了多室抗性腔直通道及十字形吸声片形式,从而保证了在较宽频带范围内具有足够的消声量。
 
  适用范围主要用干各种系列(8—18型,9—27型)的高压离心通风机,用于降低进、出风口等空气动力性噪声。    
                  SQS—QX型两端均为法兰联接可串接于管道中;    
                  SQS—QH型一端为防雨帽,仅供设置在室外管道末端和封闭式机房进风口选用。
 规格、性能、外形尺寸
 
 
                  
                    | 型号 | 适用流量Nm3/h
 | 外形尺寸(mm) | 法兰尺寸(mm) | 气流速度
 m/s
 | 阻力损失
 Pa
 |  
                    | 外径D | 有效长度
 H1
 | 外形尺寸H(mm) | 内径D1 | 中心圆D2 | 外径D3 | 联接孔 |  
                    | OX | OR | 孔径Ф | 孔数n |  
                    | SQS-QX-1SQS-QH-1
 | 2000 | 450 | 130 | 1550 | 1650 | 230 | 318 | 350 | 12 | 6 | 13.4 | 170 |  
                    | SQS-QX-2SQS-QH-2
 | 5000 | 600 | 1300 | 1550 | 1650 | 340 | 426 | 450 | 14 | 8 | 13.5 | 215 |  
                    | SQS-QX-3SQS-QH-3
 | 800 | 730 | 1300 | 1600 | 1700 | 420 | 506 | 540 | 14 | 12 | 16 | 235 |  
                    | SQS-QX-4SQS-QH-4
 | 12000 | 790 | 1400 | 1800 | 1800 | 500 | 606 | 640 | 14 | 12 | 17 | 260 |  
                    | SQS-QX-5SQS-QH-5
 | 15000 | 900 | 1540 | 1890 | 2020 | 580 | 686 | 720 | 14 | 12 | 17 | 260 |  
                    | SQS-QX-6SQS-QH-6
 | 20000 | 950 | 1640 | 1990 | 2140 | 650 | 806 | 790 | 14 | 12 | 17 | 260 |  
                    | SQS-QX-7SQS-QH-7
 | 25000 | 1000 | 1690 | 2040 | 2240 | 700 | 816 | 840 | 14 | 12 | 18 | 300 |  
                    | SQS-QX-8SQS-QH-8
 | 30000 | 1100 | 1750 | 2150 | 2400 | 780 | 886 | 920 | 14 | 16 | 17.5 | 280 |  
                    | SQS-QX-9SQS-QH-9
 | 35000 | 1180 | 1800 | 2200 | 2500 | 840 | 945 | 980 | 14 | 16 | 17.6 | 280 |  
                    | SQS-QX-10SQS-QH-10
 | 40000 | 1330 | 1880 | 2250 | 2600 | 900 | 1006 | 1040 | 14 | 24 | 17.5 | 280 |  
                    | SQS-QX-11SQS-QH-11
 | 50000 | 1420 | 1990 | 2250 | 2650 | 1000 | 1106 | 1140 | 14 | 24 | 17.7 | 280 |  
                    | SQS-QX-12SQS-QH-12
 | 80000 | 1780 | 2900 | 3200 | 3600 | 1300 | 1420 | 1480 | 24 | 30 | 16.7 | 300 |   SQS—ZDL型中低压离心风机消声器
 结构形式本系列消声器为片式阻性消声器,维修更换方便,分为A、B、C三种片型,适应不同的消声频率特性,可按需要选用,并有单节1m及1.5m、2m、2.5m、3m五种长度获得合理消声量。
 适用范围本系列消声器适用于工业与民用建筑中具有一般用途的中低压离心通风机配套。例如:4-72、4-73、5-48、6-48等系列中各机号的风机,在作为通风换气、锅炉鼓风使用中都可以用本系列消声器作为降低风机进、排气噪声。当消声器通过流量在1000-700000m3/h范围内,消声器耐压<8000Pa,消声量大于25dB(A)。
 使用注意事项
 1.消声器片间流速一般可选等于管道流速,对于民用建筑消声器片间流速V通常取V=3-10m/s,对于工业消声器可取V=12—25m/s,******不超过30m/s。
 2.消声器前后需加变径管,订货时就应提供对应管道截面尺寸及法兰尺寸。3.如需加防雨罩请注明。
 
  规格、性能、外形尺寸
 
 
                  
                    | 规格 | A | B | H | b | h | Lb | Lh | n-Ф |  
                    | 1 | 50 | 508 | 558 | 466 | 516 | 116.5 | 129 | 16-Ф12 |  
                    | 2 | 50 | 708 | 558 | 665 | 516 | 133 | 129 | 18-Ф12 |  
                    | 3 | 50 | 828 | 558 | 789 | 516 | 131 | 129 | 20-Ф12 |  
                    | 4 | 50 | 708 | 828 | 786 | 665 | 131 | 133 | 22-Ф16 |  
                    | 5 | 50 | 828 | 1008 | 786 | 996 | 131 | 138 | 26-Ф16 |  
                    | 6 | 60 | 1070 | 1070 | 996 | 996 | 138 | 138 | 28-Ф18 |  
                    | 7 | 60 | 1370 | 1070 | 1296 | 996 | 138 | 138 | 28-Ф18 |  
                    | 8 | 60 | 1370 | 1370 | 1296 | 1296 | 162 | 162 | 32-Ф18 |  
                    | 9 | 60 | 1520 | 1520 | 1900 | 1448 | 181 | 181 | 32-Ф18 |  
                    | 10 | 60 | 1970 | 1520 | 1900 | 1448 | 190 | 181 | 36-Ф20 |  
                    | 11 | 60 | 1970 | 1970 | 1900 | 1900 | 190 | 190 | 40-Ф20 |  
                    | 12 | 100 | 2462 | 2012 | 2870 | 1920 | 197.5 | 192 | 44-Ф20 |  
                    | 13 | 100 | 1462 | 2462 | 2870 | 2370 | 197.5 | 197.5 | 48-Ф22 |  
                    | 14 | 100 | 2912 | 2462 | 2821 | 2370 | 217 | 197.5 | 22-Ф50 |  
                    | 15 | 100 | 3212 | 2912 | 3120 | 2821 | 208 | 217 | 56-Ф24 |  
                    | 16 | 100 | 3812 | 2912 | 3728 | 2821 | 219 | 217 | 60-Ф24 |  
 SQS—CZ型轴流风机消声器
 结构形式SQS—CZ型轴流风机消声器系列由阻性消声筒体和十字形吸声片组成,结构简单,安装方便。
 
  适用范围主要用于降低各种室内进排风、矿井通风轴流风机的空气动力性噪声。
 规格、性能、外形尺寸
 
 
                  
                    | 型号 | 适用风量Nm3/h | 外形尺寸(mm) | 法兰尺寸(mm) |  
                    | 外径Ф | 有效长度L1 | 安装长度L | 内径D2 | D1 | D |  
                    | SQS-CZ-3 | 3900 | 405 | 400 | 500 | 303 | 357 | 405 |  
                    | SQS-CZ-4 | 7700 | 500 | 400 | 500 | 404 | 458 | 500 |  
                    | SQS-CZ-5 | 8500 | 605 | 530 | 630 | 506 | 569 | 605 |  
                    | SQS-CZ-6 | 15000 | 706 | 700 | 800 | 606 | 680 | 706 |  
                    | SQS-CZ-7 | 24000 | 807 | 820 | 920 | 707 | 792 | 807 |  
                    | SQS-CZ-8 | 36000 | 908 | 950 | 1050 | 808 | 893 | 908 |  
                    | SQS-CZ-9 | 41000 | 1009 | 1100 | 1200 | 909 | 994 | 1009 |  
                    | SQS-CZ-10 | 4700 | 1110 | 1200 | 1300 | 1010 | 1096 | 1110 |  
                    |  |  
 SQS—KHP型不锈钢扩散缓冲放空消声器
 结构形式本消声器是一种扩容缓冲、小孔喷注与吸声结构相结合的复合消声器,在材质上采用既抗燃又耐腐蚀的不锈钢,适用于氧气、氮气、空气、化工工艺气体及水蒸汽在排放时产生的排气喷流噪声。
 
  技术性能1.适用放散量:4000-128000m3/h(标况):2.适用压力:放空阀前压力0.2MPa
                  注意事项1.本消声器配带材质为20号钢PN2.5  
                  HG20592-97接管法兰一对,排污管法兰一对;2.用户自配PN2.5,DN20排污阀一个;3.若放空阀前压力P>2.5Mpa,宜在消声器前配管上安装一个巾ф=0.5D(配管直径)节流孔板;4.严禁油、水浸入吸声材料;5.安装时消声器本体不得承受本身重量以外其它外力牵扯,并须竖直安装。
 
 
 消声器订货须知:用户订购消声器时应正确书写型号、规格、名称,并提供如下工况条件,以便准确设计选型。1、适用于什么场合(或什么工艺过程);2、介质名称、成分、工作状况下的密度、流量;3、消声器入口前的工作压力、工作温度;4、与消声器入口相连的接管通径,法兰标准;5、材质(一般氧气放散、蒸汽消声器等场合采用不锈钢304);6、要求降噪音;
 7、条件许可,请提供噪声频率图:8、其他特殊要求也请一并写上。 部分消声器产品图:
 
  
 |