2025跑狗图高清大图,二四六天天免费开好彩,港彩码王港彩资料app下载,儿童脑筋急转弯2000题,246二四六费资枓大全

欢迎访问启东春立机械设备有限公司官网!
邮箱地址:cl@qdclgs.com
BMV、BMG系列煤气安全阀箱
(一)、BMV/B1-3型煤气安全阀箱
1、用途
本产品适用于金属气焊、气割、火焰表面清理和热加工的硫、焦油、萘等不纯物含量较低的煤气管路用户点。
2、结构特点
本产品外部保护箱采用灰色烤漆防锈,阀箱接点(含岗位回火防止装置)可供1-3人分别使用也可供同时使用。所有仪表可通过阀箱面板窥视孔直接观察,内部所有管路均采用优质碳钢制作。阀箱门接有箱体专用锁,便于集中管理,可避免因误操作造成的能源浪费和泄漏引起的不安全因素。
3、 产品技术参数
BMV/B1-3型煤气安全阀箱技术参数
型号
 项目
BMV/B-1型
BMV/B-2型
BMV/B-3型
正常使用氧气
压力MPa
0.02~1.6
0.02~1.6
0.02~1.6
流量Nm3/H
5
10
15
外形尺寸mm
800×380×280
1800×680×280
800×980×280
接头规格
见附图
见附图
见附图
 注:BMV/B1-3型煤气安全阀箱安装示意图同BC2H2/B1-3型乙炔气用点阀箱安装示意图。
注意事项
本产品在安装过程中请注意进出气口不可接反,发现堵塞应清洗,使用一年后应进行全面检修且需更换密封件,装配后应进行试压、回火试验合格,以保证阻火性能。
(二)、BMG/B1-4型煤气用点阀箱
1、用途
本产品适用于气焊、气割、火焰表面清理和热加工的焦炉煤气及混合煤气管道用点。
2、结构特点
本产品外部保护箱采用灰色烤漆防锈,阀箱接点可供1-4人焊炬或割炬分别使用,也可供同时使用。所用仪表可通过阀箱面板窥视孔直接观察,阀箱内部分配器均选用优质碳钢制作。阀箱门装有箱体专用锁,便于集中管理,可避免因误操作造成的能源浪费和泄漏引起的不安全因素。
3、产品技术参数
BMG/B1-3型煤气安全阀箱技术参数
型号
 项目
BMG/B-1型
BMG/B-2型
BMG/B-3型
BMG/B-4型
正常使用氧气
压力MPa
0.01~0.1
0.01~0.1
0.01~0.1
0.01~0.1
流量Nm3/H
5~10
10~20
15~30
20~40
外形尺寸mm
1400×660×440
1400×660×440
1400×660×440
1400×660×440
接头规格
DN15×1
DN15×2
DN15×3
DN15×4
接管法兰规格
JB/T81-94
PN1.0 DN50
JB/T81-94
PN1.0 DN50
JB/T81-94
PN1.0 DN50
JB/T81-94
PN1.0 DN50
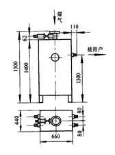
4、BMG/B1-4型煤气接点阀箱安装示意图
5、使用说明
(1)操作时,接管法兰DN50与系统中的阀门相并开阀,用软管将接头DN15与焊炬或割炬相连,关上扫阀及箱内的排污阀即可向焊炬或割炬供煤气。
(2)吹刷时,关上进气阀及接头阀门,用软管吹扫阀门与吹刷介质或氮气相接,打开排污阀即可阀箱进行吹扫。
 
主站蜘蛛池模板: 马会开将结果| 2024澳门资料免费大全老板| 澳门大三巴31888开奖资料| 澳门六合和彩一码| 2023的电影排行榜前十名| 狂飙电视剧免费观看星辰影院 | 免费vip追剧软件高清| 2023澳门六免费资料查询| 没有耳朵的兔子| 香港高清狗跑图片| 澳门一肖一码一待一中| 今晚澳门特马今晚开什么生肖呢 | 奥2021澳门六开奖结果| 澳门正版资料全年免费公开特色 | 2024年香港内部免费资料| 澳门天天开彩免费资料大全新版| 香港和澳门开奖历史记录汇总图 | 大叔免费观看高清电影| 新澳彩开奖结果历史记录表查询| 123696澳门六下资料是什么| 澳门精准5肖5码| 777电影网影视播放| 澳门正版资料免费公开手机 | 高清电影热播电视剧免费在线观看星空影视 | 2023年天天彩澳门天天彩| 六肖期期准选免费一| 澳门彩今晚开奖结果资料查询| 澳门神算子精准免费公开| 新澳门四肖三肖必开精准| 2020澳门六下彩开奖结果查询| 澳门天天开彩好2024免费资料| 香港十二生肖开奖号码| 新奥门四肖八码精准资料| 澳门118开奖现场直播| 2024澳门精准正板资料免费| 新奥彩管家婆资料 | 老澳彩开奖结果查询最新| 故事中的故事| 爱情电影网全部电影| 澳门2023年精准免费大全| 潘多拉的宝剑|