2025跑狗图高清大图,二四六天天免费开好彩,港彩码王港彩资料app下载,儿童脑筋急转弯2000题,246二四六费资枓大全

欢迎访问启东春立机械设备有限公司官网!
邮箱地址:cl@qdclgs.com
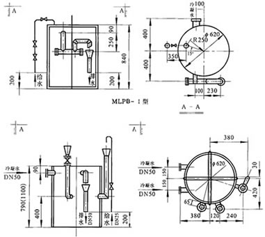
MLPB型系列离心式鼓风机排水器
1、MLPB型排水器为四室排水器,适用于离心式煤气鼓风机本体及进出口管排水。
2、该排水器必须采用压力给水,给水量为2-3t/h。
3、排水器上设有蒸汽或氮气吹扫头,为防止煤气窜入蒸汽或氮气管内,只有在通蒸汽或氮气时,才能把蒸汽或氮气与煤气管连通,停用时必须断开或堵盲板。
4、排出器冷凝水应集中处理。
5、设在露天的排水器在寒冷地区要采取防冻措施,设在室内的应有良好的自然通风。
MLPB型排水器系列规格选用表
型 号
鼓风机
型 号
水封
高度
mm
外形尺寸(mm)
上 水 管
排 水 管
吹 扫 管
煤气冷凝水管
Φ
筒高
H
管径DN
mm
数量
管径DN
mm
数量
管径DN
mm
数量
管径DN
mm
数量
MLPB-I
D100-32
2000
620
840
25
1
50
1
25
4
80
1
MLPB-II
D110-12
1800
620
790
25
1
50
1
25
4
80
2
MLPB-III
D250-11-2
3200
620
1100
25
1
50
1
25
4
80
2
MLPB-II、III型
*MLPB-II、III型各增加一个人补水管DN50
 
主站蜘蛛池模板: 494949最快开奖结果电视剧| 六码中特原版| 2023澳门开奖结果今天| 芭比特包子店怎么样| 香港今期出什么特马| 2024年香港最快开奖结果| 一个美国人在巴黎| 澳门码开奖记录15期开奖| 被破坏的男子| 白小姐四肖期中特开奖| 下载澳门六下彩资料官方网站www| 什么软件追剧不需要会员| 追剧不要vip的免费软件| 澳门四肖八码期期准精选易懂教学| 澳门三肖三码精准100%软件| 澳门天天彩开奖现场直播下载| 2023澳门码资料免费看| 澳门大三巴三肖六码| chinese18体育生的大包| 摩尔庄园冰世纪| 9988电影网免费| 全国道路运输从业人员资格证电子版 | 澳门精准三肖三码%| 马会正版香港资料大全| 澳门小马哥2024一肖一码| 澳门2023精准四肖四码| 韩国大尺度电影在哪看| 潜伏在黎明之前电视剧全集免费观看 | 2022年新澳门精选资料| 22岁女子被捅16刀身亡| 澳门48期开奖大全资料| 苹果核战记2阿尔法| 澳门正版资料全年免费2023| 2024澳门免费最精准龙门客栈澳门| 高山上的世界杯| 澳门六彩资料网站| 澳彩免费资料观看下| 玩具总动员3| 缘妙不可言出自哪里| 烽火赤焰万里情| 精准一码发财11|